Package Include
Komatsu D39EX-22, D39PX-22 S.N 3001 and up Workshop Manual
Language
English
Format
PDF
Total Number of pages
1046
Publication Number
SEN04041-05
Compatible
All windows and mac systems
Additional Requirement
User needs to Install PDF Reader Software
Shipping Policy
Download link by high speed web server Total Download size 53 mb
With This Original Factory Workshop Manual The Technician can Find and Solve any problems encountered in the operation of your Komatsu Bulldozer Models of :
D39EX-22, D39PX-22 Bulldozer [ S.N 3001 and up ]
[This is true Electronic pdf copy with contains high quality images and diagrams, not scanned version]
The Komatsu D39EX-22 and D39PX-22 Workshop Repair Manual is an essential resource for professionals and enthusiasts alike, providing comprehensive guidance on maintenance and repair procedures. This manual features detailed diagrams, step-by-step instructions, and troubleshooting tips, ensuring that you can efficiently service your equipment and keep it running at peak performance. With its user-friendly format and in-depth information, this manual is a must-have for anyone looking to enhance their understanding of Komatsu machinery and ensure longevity in their operations
Contents of this Workshop Manual
General
Specification and technical data
Structure, function and maintenance standard
Engine and cooling system
Power train
Undercarriage and frame
Hydraulic system, Part 1
Hydraulic system, Part 2
Work equipment.
Cab and its attachments
Electrical system
Standard value table
Standard service value table
Testing and adjusting
Testing and adjusting, Part 1
Testing and adjusting, Part 2
Testing and adjusting, Part 3
Troubleshooting
Failure code table and fuse locations
General information on troubleshooting
Troubleshooting by failure code (Display of code), Part 1
Troubleshooting by failure code (Display of code), Part 2
Troubleshooting by failure code (Display of code), Part 3
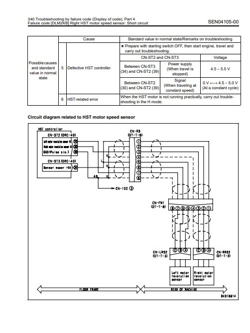
Troubleshooting by failure code (Display of code), Part 4
Troubleshooting by failure code (Display of code), Part 5
Troubleshooting of electrical system (E-mode)
Troubleshooting of hydraulic and mechanical system (H-mode)
Troubleshooting of engine (S-mode)..
Disassembly and assembly
General information on disassembly and assembly
Engine and cooling system
Power train
Undercarriage and frame
Hydraulic system.
Work equipment
Cab and its attachments
Electrical system
Diagrams and drawings
Hydraulic diagrams and drawings
Electrical diagrams and drawings









