Package Include
Komatsu D65EX-18, D65PX-18, D65WX-18 Bulldozer S.N 90001-UP Workshop Manual
Language
English
Format
PDF
Total Number of pages
2912
Publication Number
SEN06505-08
Compatible
All windows and mac systems
Additional Requirement
User needs to Install PDF Reader Software
Shipping Policy
Download link by high speed web server Total Download size 67 mb
With This Original Factory Workshop Manual The Technician can Find and Solve any problems encountered in the operation of your Komatsu Bulldozer Models of :
D65EX-18, D65PX-18, D65WX-18 Bulldozer [S.N 90001-UP]
[This is true Electronic pdf copy with contains high quality images and diagrams, not scanned version]
Enhance your maintenance capabilities with the Komatsu D65EX-18, D65PX-18, and D65WX-18 Bulldozer Workshop Manual. This comprehensive guide provides detailed instructions, diagrams, and specifications essential for efficient servicing and repair of your bulldozer models. With clear, step-by-step procedures, you can ensure optimal performance and longevity of your equipment, reducing downtime and costly repairs. Invest in this manual to empower your team with the knowledge needed to keep your machinery running smoothly and effectively
Contents of this Workshop Manual
General
Specification and technical data
Structure, function and maintenance standard
Engine and cooling system
Power train
Undercarriage and frame
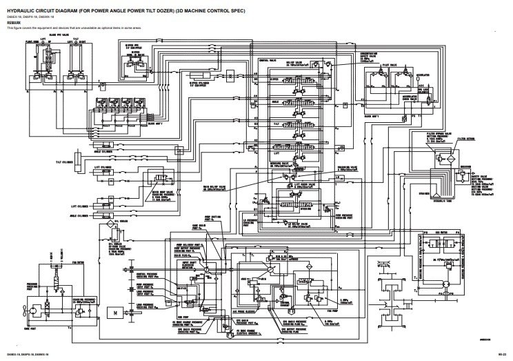
Hydraulic system, Part 1
Hydraulic system, Part 2
Work equipment.
Cab and its attachments
Electrical system
Standard value table
Standard service value table
Testing and adjusting
Testing and adjusting, Part 1
Testing and adjusting, Part 2
Testing and adjusting, Part 3
Troubleshooting
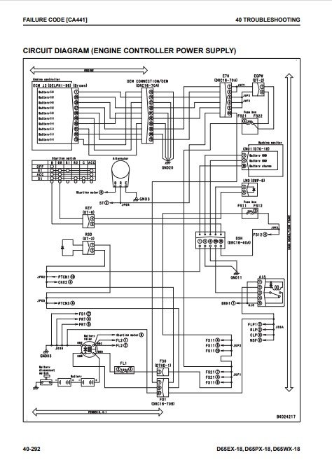
Failure code table and fuse locations
General information on troubleshooting
Troubleshooting by failure code (Display of code), Part 1
Troubleshooting by failure code (Display of code), Part 2
Troubleshooting by failure code (Display of code), Part 3
Troubleshooting by failure code (Display of code), Part 4
Troubleshooting by failure code (Display of code), Part 5
Troubleshooting of electrical system (E-mode)
Troubleshooting of hydraulic and mechanical system (H-mode)
Troubleshooting of engine (S-mode)..
Disassembly and assembly
General information on disassembly and assembly
Engine and cooling system
Power train
Undercarriage and frame
Hydraulic system.
Work equipment
Cab and its attachments
Electrical system
Diagrams and drawings
Hydraulic diagrams and drawings
Electrical diagrams and drawings









