Package Include
Komatsu HM400-5 Japan Dump Truck S.N 10001-UP Workshop Manual
Language
English
Format
PDF
Total Number of pages
3197
Publication Number
SEN06519-05
Compatible
All windows and mac systems
Additional Requirement
User needs to Install PDF Reader Software
Shipping Policy
Download link by high speed web server Total Download size 75 mb
With This Original factory Workshop Manual The Technician can solve any problems encountered in the operation of your Komatsu Models of :
HM400-5 Japan Dump Truck [ S.N 10001-UP ]
[This is true Electronic pdf copy with contains high quality images and diagrams, not scanned version]
The Komatsu HM400-5 Japan Dump Truck Workshop Manual is an essential resource for maintenance and repair professionals, providing comprehensive guidance on the operation and servicing of this robust vehicle. This manual includes detailed diagrams, troubleshooting tips, and step-by-step instructions, ensuring that you can efficiently address any issues that arise. With its user-friendly format, this workshop manual is designed to enhance your understanding of the HM400-5, ultimately improving performance and extending the lifespan of your equipment. Invest in this indispensable tool to keep your dump truck running smoothly and reliably
CONTENT OF THIS WORKSHOP MANUAL
SPECIFICATIONS
STRUCTURE AND FUNCTION
STANDARD VALUE TABLE
TESTING AND ADJUSTING
TROUBLESHOOTING BY FAILURE CODE (DISPLAY OF CODE)
TROUBLESHOOTING OF ELECTRICAL SYSTEM (E-MODE)
ENGINE
TROUBLESHOOTING FOR HYDRAULIC AND MECHANICAL SYSTEMS (H MODE)
INFORMATION MENTIONED IN TROUBLESHOOTING TABLE (H MODE)
SYSTEM CHART OF HYDRAULIC AND MECHANICAL SYSTEMS
FAILURE MODE AND CAUSE TABLE
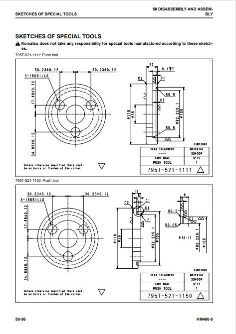
RELATED INFORMATION ON DISASSEMBLY AND ASSEMBLY
HYDRAULIC SYSTEM
ENGINE AND COOLING SYSTEM
POWER TRAIN
CLUTCH ECMV
STEERING SYSTE
UNDERCARRIAGE AND FRAME
MAINTENANCE STANDARD OF STEERING AND HOIST PUMP
MAINTENANCE STANDARD OF POWER TRAIN AND FRONT BRAKE COOLING DUPLEX PUMP,
AFTERCOOLER FAN PUMP, AND CENTER BRAKE COOLING REMOTE MOTOR DRIVE PUMP….
MAINTENANCE STANDARD OF VALVES
AIR CONDITIONER
SENSORS FOR AIR CONDITIONER SYSTEM
EXPLANATION OF PROCEDURE FOR TESTING AND TROUBLESHOOTING OF AIR CONDITIONER
CIRCUIT DIAGRAM AND ARRANGEMENT OF CONNECTOR PINS FOR AIR CONDITIONER
INPUT AND OUTPUT SIGNALS OF CONTROLLER
INSTALLATION LOCATIONS OF AIR CONDITIONER PARTS AND ARRANGEMENT OF CONNECTORS ..
METHOD FOR TESTING
TROUBLESHOOTING FOR POWER SUPPLY SYSTEM (AIR CONDITIONER DOES NOT OPERATE).
TROUBLESHOOTING USING GAUGE PRESSURE
SYMBOLS USED IN HYDRAULIC CIRCUIT DIAGRAM
HYDRAULIC CIRCUIT DIAGRAM
POWER TRAIN HYDRAULIC CIRCUIT DIAGRAM
ELECTRICAL CIRCUIT DIAGRAM
SYMBOLS USED IN ELECTRICAL CIRCUIT DIAGRAM






