Package Include
Komatsu PC210-8, PC230-8, PC240-8 Series Workshop Repair Manual
Language
English
Format
PDF
Total Number of pages
1204
Publication Number
UEN00084-07
Compatible
All windows and mac systems
Additional Requirement
User needs to Install PDF Reader Software
Shipping Policy
Download link by high speed web server Total Download size 56 mb
With This Original Factory Workshop Manual The Technician can Find and Solve any problems encountered in the operation of your Komatsu Excavator Models of :
✅ Models Covered
-
Komatsu PC210-8 — Hydraulic Excavator
-
Komatsu PC230-8 — Hydraulic Excavator
-
Komatsu PC240-8 — Hydraulic Excavator
Compatible Serial Number Range [S.N K50001 and UP]
[This is true Electronic pdf copy with contains high quality images and diagrams, not scanned version]
Enhance your maintenance capabilities with the Komatsu PC210-8, PC230-8, and PC240-8 Workshop Repair Manual. This comprehensive guide provides detailed instructions, diagrams, and troubleshooting tips specifically designed for these powerful excavators. With clear illustrations and step-by-step procedures, you can efficiently perform repairs and maintenance, ensuring optimal performance and longevity of your machinery. Invest in this essential manual to save time and reduce downtime, keeping your operations running smoothly
Contents of this Workshop Manual
Specification
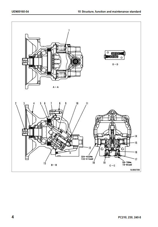
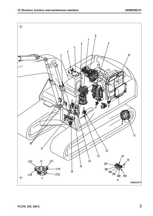
Structure, function and maintenance standard
Engine and cooling system
Power train
Undercarriage and frame
Hydraulic system, Part 1
Hydraulic system, Part 2
Hydraulic system, Part 3
Work equipment
Cab and its attachment
Electrical system
Standard service value table
Testing and adjusting
Testing and adjusting Part 1
Testing and adjusting, Part 2
Testing and adjusting, Part 3
Troubleshooting
Failure code table and fuse locations
General information on troubleshooting
Troubleshooting by failure code, Part 1
Troubleshooting by failure code, Part 2
Troubleshooting by failure code, Part 3
Troubleshooting by failure code, Part 4
Troubleshooting of electrical system (E-mode)
Troubleshooting of hydraulic and mechanical system (H-mode)
Troubleshooting of engine (S-mode)
Disassembly and assembly
General information on disassembly and assembly
Engine and cooling system SEN04127-02 Power train
Undercarriage and frame SEN04129-02 Hydraulic system
Work equipment SEN04131-00 Cab and its attachments
Electrical system
Diagrams and drawings
Hydraulic diagrams and drawings
Electrical diagrams and drawings






