Package Include
Komatsu PC210LC-10 Excavator Workshop Manual
Language
English
Format
PDF
Total Number of pages
1710
Publication Number
SEN05842-01
Compatible
All windows and mac systems
Additional Requirement
User needs to Install PDF Reader Software
Shipping Policy
Download link by high speed web server Total Download size 54 mb
With This Original Factory Workshop Manual The Technician can Find and Solve any problems encountered in the operation of your Komatsu Excavator Models of :
PC210LC-10 Excavator [S.N 450001 and UP]
[This is true Electronic pdf copy with contains high quality images and diagrams, not scanned version]
The Komatsu PC210LC-10 Excavator Workshop Manual is an essential resource for any technician or operator looking to maintain and repair this powerful machine. This comprehensive manual provides detailed instructions, diagrams, and specifications, ensuring that you have all the information needed to perform routine maintenance and troubleshoot issues effectively. With its user-friendly layout and clear illustrations, this workshop manual enhances your understanding of the excavator’s systems, ultimately prolonging its lifespan and optimizing performance. Invest in this manual to ensure your Komatsu PC210LC-10 operates at peak efficiency
Contents of this Workshop Manual
Specification
Table of contents
Specifications
Specification drawing
Working range drawings
Specifications
Weight table
Table of fuel, coolant, and lubricants
Structure and function
Table of contents
Engine and cooling system
Engine related parts
KVGT
EGR system piping drawing
EGR system circuit diagram
EGR valve
EGR cooler
KCCV layout drawing
KCCV ventilator
KDPF
Cooling system
Power train
Power train system
Swing circle
Swing machinery
Final drive
Undercarriage and frame
Track frame and idler cushion
Hydraulic system
Hydraulic equipment layout drawing
Valve control
Hydraulic tank
CLSS
Main pump
Control valve
Swing motor
Travel motor
PPC valve
Solenoid valve
Attachment circuit selector valve (for high pressure circuit)
Attachment circuit selector valve (for low pressure circuit)
Center swivel joint
Accumulator
Work equipment
Work equipment
Work equipment shim
Bucket play adjustment shim
Cab and its attachments
Cab mount and cab tipping stopper
ROPS cab
Electrical system
Electrical control system
Machine monitor system
KOMTRAX system
Sensor
Standard value tables
Standard service value table
Standard value table for engine
Standard value table for machine
Standard value table for electrical system
30 Testing and adjusting
Table of contents
General information on testing and adjusting
Tools for testing and adjusting
Sketch of tools for testing and adjusting
Engine and cooling system
Testing engine speed
Testing boost pressure
Testing exhaust gas color
Measuring and adjusting valve clearance
Testing compression pressure
Testing blowby pressure
Testing engine oil pressure
Testing EGR valve and KVGT oil pressures
Measuring fuel pressure
Measuring fuel delivery, return and leakage
Bleeding air from fuel system
Checking fuel circuit for leakage
Handling cylinder cutout mode operation
Handling no injection cranking operation
Checking and adjusting air conditioner compressor belt tension
Replacing fan belt
Power train
Testing swing circle bearing clearance
Undercarriage and frame
Testing and adjusting track shoe tension
Hydraulic system
Releasing remaining pressure from hydraulic circuit
Testing and adjusting oil pressure in work equipment, swing, and travel circuits
Testing oil pressure of control circuit
Testing and adjusting oil pressure in pump PC control circuit
Testing and adjusting oil pressure in pump LS control circuit
Testing output pressure of solenoid valve
Testing PPC valve output pressure
Adjusting play of work equipment and swing PPC valves
Testing pump swash plate sensor
Isolating the parts causing hydraulic drift in work equipment
Testing oil leakage
Bleeding air from hydraulic circuit
Cab and its attachments
Checking cab tipping stopper
Adjusting mirrors
Electrical system
Special functions of machine monitor
Adjusting rearview camera angle
Handling voltage circuit of engine controller
Handling battery disconnect switch
Testing diodes
Pm clinic
Pm Clinic service
Troubleshooting
General information on troubleshooting
Troubleshooting points
Sequence of events in troubleshooting
Testing before troubleshooting
Inspection procedure before troubleshooting
Preparation work for troubleshooting of electrical system
Classification and procedure for troubleshooting
Symptom of probable failure and troubleshooting No
Information in troubleshooting table
Diagnostic procedure for wiring harness open curcuit of pressure sensor system
Connector list and layout
Connector contact identification
T-branch box and T-branch adapter table
Fuse location table
Precautions for KDPF (KCSF and KDOC) Cleaning and Replacement
Fabrication of dummy temperature sensor (for KDOC and KDPF temperature sensors)
Fabrication of short-circuit connector (for CA1883 and CA3135)
Failure codes table
Troubleshooting by failure code (Display of code)
Failure code [879AKA]
Failure code [879AKB]
Failure code [879BKA]
Failure code [879BKB]
Failure code [879CKA]
Failure code [879CKB]
Failure code [879DKZ]
Failure code [879EMC]
Failure code [879FMC]
Failure code [879GKX]
Failure code [989L00]
Failure code [989M00]
Failure code [989N00]
Failure code [A1U0N3]
Failure code [A1U0N4]
Failure code [AA10NX]
Failure code [AB00KE]
Failure code [B@BAZG]
Failure code [B@BAZK]
Failure code [B@BCNS]
Failure code [B@BCZK]
Failure code [B@HANS]
Failure code [CA115]
Failure code [CA122]
Failure code [CA123]
Failure code [CA131]
Failure code [CA132]
Failure code [CA144]
Failure code [CA145]
Failure code [CA153]
Failure code [CA154]
Failure code [CA187]
Failure code [CA221]
Failure code [CA222]
Failure code [CA227]
Failure code [CA234]
Failure code [CA238]
Failure code [CA239]
Failure code [CA271]
Failure code [CA272]
Failure code [CA295]
Failure code [CA322]
Failure code [CA323]
Failure code [CA324]
Failure code [CA325]
Failure code [CA331]
Failure code [CA332]
Failure code [CA343]
Failure code [CA351]
Failure code [CA352]
Failure code [CA356]
Failure code [CA357]
Failure code [CA386]
Failure code [CA428]
Failure code [CA429]
Failure code [CA435]
Failure code [CA441]
Failure code [CA442]
Failure code [CA449]
Failure code [CA451]
Failure code [CA452]
Failure code [CA488]
Failure code [CA515]
Failure code [CA516]
Failure code [CA553]
Failure code [CA555]
Failure code [CA556]
Failure code [CA559]
Failure code [CA595]
Failure code [CA687]
Failure code [CA689]
Failure code [CA691]
Failure code [CA692]
Failure code [CA697]
Failure code [CA698]
Failure code [CA731]
Failure code [CA778]
Failure code [CA1117]
Failure code [CA1664]
Failure code [CA1691]
Failure code [CA1695]
Failure code [CA1696]
Failure code [CA1843]
Failure code [CA1844]
Failure code [CA1879]
Failure code [CA1881]
Failure code [CA1883]
Failure code [CA1921]
Failure code [CA1922]
Failure code [CA1942]
Failure code [CA1993]
Failure code [CA2185]
Failure code [CA2186]
Failure code [CA2249]
Failure code [CA2271]
Failure code [CA2272]
Failure code [CA2288]
Failure code [CA2311]
Failure code [CA2349]
Failure code [CA2353]
Failure code [CA2357]
Failure code [CA2373]
Failure code [CA2374]
Failure code [CA2375]
Failure code [CA2376]
Failure code [CA2381]
Failure code [CA2382]
Failure code [CA2383]
Failure code [CA2386]
Failure code [CA2387]
Failure code [CA2554]
Failure code [CA2555]
Failure code [CA2556]
Failure code [CA2637]
Failure code [CA2639]
Failure code [CA2961]
Failure code [CA2973]
Failure code [CA3133]
Failure code [CA3134]
Failure code [CA3135]
Failure code [CA3251]
Failure code [CA3253]
Failure code [CA3254]
Failure code [CA3255]
Failure code [CA3256]
Failure code [CA3311]
Failure code [CA3312]
Failure code [CA3313]
Failure code [CA3314]
Failure code [CA3315]
Failure code [CA3316]
Failure code [CA3317]
Failure code [CA3318]
Failure code [CA3319]
Failure code [CA3321]
Failure code [CA3322]
Failure code [CA3419]
Failure code [CA3421]
Failure code [CA3741]
Failure code [D110KB]
Failure code [D19JKZ]
Failure code [D811MC]
Failure code [D862KA]
Failure code [D8ALKA]
Failure code [D8ALKB]
Failure code [D8AQKR]
Failure code [DA20MC]
Failure code [DA22KK]
Failure code [DA25KP]
Failure code [DA29KQ]
Failure code [DA2LKA]
Failure code [DA2LKB]
Failure code [DA2QKR]
Failure code [DA2RKR]
Failure code [DAF0MB]
Failure code [DAF0MC]
Failure code [DAF8KB]
Failure code [DAF9KQ]
Failure code [DAFGMC]
Failure code [DAFLKA]
Failure code [DAFLKB]
Failure code [DAFQKR]
Failure code [DAZ9KQ]
Failure code [DAZQKR]
Failure code [DB2QKR]
Failure code [DB2RKR]
Failure code [DGH2KB]
Failure code [DHA4KA]
Failure code [DHPAMA]
Failure code [DHPBMA]
Failure code [DHS3MA]
Failure code [DHS4MA]
Failure code [DHS8MA]
Failure code [DHS9MA]
Failure code [DHSAMA]
Failure code [DHSBMA]
Failure code [DHSCMA]
Failure code [DHSDMA]
Failure code [DHSFMA]
Failure code [DHSGMA]
Failure code [DHSHMA]
Failure code [DHSJMA]
Failure code [DKR0MA]
Failure code [DKR1MA]
Failure code [DR21KX]
Failure code [DR31KX]
Failure code [DV20KB]
Failure code [DW43KA]
Failure code [DW43KB]
Failure code [DW45KA]
Failure code [DW45KB]
Failure code [DW91KA]
Failure code [DW91KB]
Failure code [DWA2KA]
Failure code [DWA2KB]
Failure code [DWK0KA]
Failure code [DWK0KB]
Failure code [DWK2KA]
Failure code [DWK2KB]
Failure code [DWK8KA]
Failure code [DWK8KB]
Failure code [DXA8KA]
Failure code [DXA8KB]
Failure code [DXA9KA]
Failure code [DXA9KB]
Failure code [DXE0KA]
Failure code [DXE0KB]
Failure code [DXE4KA]
Failure code [DXE4KB]
Failure code [DXE5KA]
Failure code [DXE5KB]
Failure code [DXE6KA]
Failure code [DXE6KB]
Failure code [DY20KA]
Failure code [DY20MA]
Failure code [DY2CKB]
Failure code [DY2DKB]
Failure code [DY2EKB]
Troubleshooting of electrical system (E-mode)
E-1
E-2
E-3
E-4
E-5
E-6
E-7
E-8
E-9
E-10
E-11
E-13
E-14
E-15
E-16
E-17
E-18
E-19
E-20
E-21
E-22
E-23
E-24
E-25
E-26
E-27
E-28
E-29
E-30
E-31
E-32
E-33
E-35
E-36
E-37
E-38
E-39
E-40
E-41
E-42
E-43
E-44
E-45
E-46
E-47
E-48
E-49
E-51
E-52
E-53
E-54
E-55
E-56
E-57
E-58
E-59
Troubleshooting of hydraulic and mechanical system (H-mode)
Information described in troubleshooting table (H-mode)
System chart for hydraulic system
Failure mode and cause table
H-1
H-2
H-3
H-4
H-5
H-6
H-7
H-8
H-9
H-10
H-11
H-12
H-13
H-14
H-15
H-16
H-17
H-18
H-19
H-20
H-21
H-22
H-23
H-24
H-25
H-26
H-27
H-28
H-29
H-30
H-31
H-32
H-33
H-34
H-35
Troubleshooting of engine (S-mode)
Information mentioned in troubleshooting table (S mode)
S-1
S-2
S-3
S-4
S-5
S-6
S-7
S-8
S-9
S-10
S-11
S-12
S-13
S-14
S-15
S-16
S-17
S-18
S-19
S-20
S-21
S-22
S-23
Disassembly and assembly
Table of contents
General information on disassembly and assembly
How to read this manual
Coating materials list
Special tools list
Sketches of special tools
Engine and cooling system
Removal and installation of supply pump assembly
Removal and installation of injector assembly
Removal and installation of cylinder head assembly
Removal and installation of radiator assembly
Removal and installation of hydraulic oil cooler assembly
Removal and installation of aftercooler assembly
Removal and installation of engine and main pump assembly
Removal and installation of engine front oil seal
Removal and installation of engine rear oil seal
Removal and installation of fuel cooler assembly
Removal and installation of fuel tank assembly
Removal and installation of engine hood assembly
Removal and installation of KDPF assembly
Disassembly and assembly of KDPF
Removal and installation of KCCV assembly
Removal and installation of air cleaner assembly
Power train
Removal and installation of travel motor and final drive assembly
Disassembly and assembly of final drive
Removal and installation of swing motor and swing machinery assembly
Disassembly and assembly of swing machinery
Removal and installation of swing circle assembly
Undercarriage and frame
Separation and connection of track shoe assembly
Removal and installation of sprocket
Removal and installation of idler and idler cushion assembly
Disassembly and assembly of idler assembly
Disassembly and assembly of idler cushion
Disassembly and assembly of track roller assembly
Disassembly and assembly of carrier roller
Removal and installation of revolving frame assembly
Removal and installation of counterweight assembly
Hydraulic system
Removal and installation of center swivel joint assembly
Disassembly and assembly of center swivel joint
Removal and installation of hydraulic tank assembly
Removal and installation of main pump assembly
Removal and installation of control valve assembly
Disassembly and assembly of control valve
Disassembly and assembly of work equipment PPC valve
Disassembly and assembly of travel PPC valve
Work equipment
Removal and installation of work equipment assembly
Disassembly and assembly of work equipment cylinder
Cab and its attachments
Removal and installation of operator’s cab assembly
Removal and installation of operator cab glass (adhered glass)
Removal and installation of front window assembly
Removal and installation of floor frame assembly
Removal and installation of air conditioner unit assembly
Removal and installation of operator’s seat
Removal and installation of seat belt
Removal and installation of front wiper assembly
Electrical system
Removal and installation of air conditioner compressor assembly
Removal and installation of air conditioner condenser assembly
Removal and installation of engine controller assembly
Removal and installation of pump controller assembly
Removal and installation of machine monitor assembly
Removal and installation of pump swash plate sensor
Removal and installation of mass air flow and temperature sensor
Removal and installation of KOMTRAX terminal assembly
Maintenance standard
Table of contents
Engine and cooling system
Engine mount
Cooling system
Power train
Swing circle
Swing machinery
Final drive
Sprocket
Undercarriage and frame
Track frame and idler cushion
Idler
Track roller
Carrier roller
Track shoe
Hydraulic system
Hydraulic tank
Main pump
Control valve
Swing motor
Travel motor
Work equipment and swing PPC valve
Travel PPC valve
1st-line attachment PPC valve (with EPC valve)
2nd-line attachment PPC valve
Solenoid valve
Attachment circuit selector valve (for high-pressure circuit)
Attachment circuit selector valve (for low-pressure circuit)
Center swivel joint
Work equipment
Work equipment
Boom cylinder (large diameter piston)
Arm cylinder
Bucket cylinder
80 Appendix
Table of contents
Air conditioner components
Precautions for refrigerant
Air conditioner component
Configuration and function of refrigeration cycle
Outline of refrigeration cycle
Air conditioner unit
Dual pressure switch
Air conditioner controller
Compressor
Air conditioner condenser
Sunlight sensor
Outer temperature sensor (outside air temperature sensor)
Procedure for testing and troubleshooting
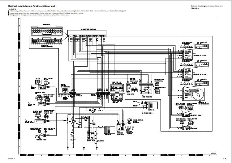
Circuit diagram and arrangement of connector pins
System diagram
Input and output signals of the air conditioner controller
Parts and connectors layout
Testing air leakage (duct)
Testing with self-diagnosis function
Testing vent (mode) changeover
Testing FRESH/RECIRC air changeover
Testing sunlight sensor
Testing (dual) pressure switch for refrigerant
Testing relays
Troubleshooting chart 1
Troubleshooting chart 2
Information in troubleshooting table
Failure code list related to air conditioner
Failure code [879AKA] A/C Inner Sensor Open Circuit
Failure code [879AKB] A/C Inner Sensor Short Circuit
Failure code [879BKA] A/C Outer sensor Open Circuit
Failure code [879BKB] A/C Outer sensor Short Circuit
Failure code [879CKA] Ventilating Sensor Open Circuit
Failure code [879CKB] Ventilating Sensor Short Circuit
Failure code [879DKZ] Sunlight sensor Open or Short Circuit
Failure code [879EMC] Ventilation Damper Abnormality
Failure code [879FMC] Air Mix Damper Abnormality
Failure code [879GKX] Refrigerant Abnormality
A-1 Troubleshooting for power supply system (Air conditioner does not operate)
A-2 Troubleshooting of compressor system (Air is not cooled)
A-3 Troubleshooting for blower motor system
A-4 Troubleshooting for FRESH/RECIRC air changeover
Troubleshooting with gauge pressure
Connection of service tool
Precautions for disconnecting and connecting air conditioner piping
Handling of compressor oil
Desiccant replacement
Diagrams and drawings
Hydraulic circuit diagram
Symbols in hydraulic circuit diagram
Hydraulic circuit diagram
Electric circuit diagram
Symbols in electric circuit diagram
Electric circuit diagram
Electric circuit diagram for air conditioner unit








