Package Include
Komatsu PC4000 Mining Shovel General Assembly Procedures
Language
English
Format
PDF
Total Number of pages
493
Publication Number
PC4000Asrev05 Edition 08/2005
Compatible
All windows and mac systems
Additional Requirement
User needs to Install PDF Reader Software
Shipping Policy
Download link by high speed web server Total Download size 3 mb
Compatible ModeL : Komatsu PC4000 Mining Shovel
This is true Electronic pdf Manual with contains high quality images and diagrams, not scanned version
Experience unparalleled efficiency and precision with the Komatsu PC4000 Mining Shovel General Assembly Procedures. This comprehensive guide is designed to streamline the assembly process, ensuring that your equipment is operational with minimal downtime. With detailed instructions and expert insights, you can enhance productivity and maintain the high performance of your mining operations. Invest in this essential resource to optimize your workflow and achieve superior results in the field
Contents of This PDF Manual
Overviews
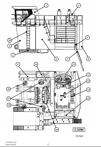
Superstructure
Engine House
General
Delivery of the Excavator
Assembling of the Excavator
Transportation and Lifting
Manpower / Assembly Time
Assembly Site Requirements
Space and Placing Requirements
Preparation for Assembly
Basic Measurements and Weights
Transport Dimensions and Weights
Assembly sequence
Assembly of Undercarriage
Mounting of travel gear breather filters
Track tensioning system
Assembly of Superstructure onto the Undercarriage
Assembly of engine house
Mounting of Boom
Mounting of Hydraulic Oil Tank
Mounting of Hydraulic Oil Cooler
Mounting of Fuel Tank
Mounting of Hydraulic access Ladder
Mounting of Cab Base
Mounting of Counterweight
Mounting of Handrails, Steps and Gratings
Mounting of Cable transfer to the Operators Cab
Mounting of Cab
Mounting of cab air cleaner
Mounting of Bucket Cylinders
Mounting of Stick 59
Mounting of stick (backhoe)
Filling up hydraulic oil tank
Bleed air from all hydraulic tanks
Filling up fuel tank
Pre-checks prior Initial Start-up
Mounting of stick cylinders to the stick
Assembly of Bullclam Bucket to the Stick
Mounting of the pin seals
Mounting of pin seals (backhoe)
Connection of the cable harnesses to the terminal rails in the switch box “X2”
Putting the Central Lubrication System into operation
Standard Application Torque Chart






