Komatsu PC5500-6 Diesel Mining Shovel Service Repair Manual

Guaranteed Safe Checkout

$10.00

52 people bought this product
Before purchasing the entire pdf handbook, Please GET SAMPLE PREVIEW of this pdf manual and ensure it is suitable with your model

Package Include
Komatsu PC5500-6 Diesel Mining Shovel Service Repair Manual

Language
English

Format
PDF

Total Number of pages
670

Publication Number
15046

Compatible
All windows and mac systems

Additional Requirement
User needs to Install PDF Reader Software

Shipping Policy
Download link by high speed web server Total Download size 21 mb

Compatible Model : Komatsu PC5500-6 Diesel Mining Shovel

Compatible Serial Number : [S.N 15046 and up]

This is true Electronic pdf Manual with contains high quality images and diagrams, not scanned version

The Komatsu PC5500-6 Diesel Mining Shovel Service Repair Manual is an essential resource for maintenance professionals and operators alike. This comprehensive guide provides detailed instructions, schematics, and troubleshooting tips to ensure optimal performance and longevity of your mining equipment. With clear illustrations and step-by-step procedures, you can confidently tackle repairs and service tasks, minimizing downtime and maximizing productivity on the job site. Invest in this manual to enhance your operational efficiency and keep your Komatsu PC5500-6 running smoothly

Contents of this pdf Service Manual

Safety – Foreword
Technical DATA (Leaflet)
Assembly PROCEDURE (Brochure)

Section (Each section includes a detailed table of contents)

Main assembly groups
Drive
Hydraulic oil tank
Hydraulic oil cooling
Controlling
Components
Main hydraulic pumps and pump regulation
Operating hydraulic
Hydraulic track tensioning system
Hydraulic operated access ladder
Hints for the hydraulic circuit diagram
Hints for the electric circuit diagram
ECS-T
Lubrication Systems

𝙊𝙫𝙚𝙧 25 𝙮𝙚𝙖𝙧𝙨 𝙤𝙛 𝙨𝙚𝙧𝙫𝙞𝙘𝙚 𝙬𝙞𝙩𝙝 𝙖 100% 𝙨𝙖𝙩𝙞𝙨𝙛𝙖𝙘𝙩𝙞𝙤𝙣 𝙜𝙪𝙖𝙧𝙖𝙣𝙩𝙚𝙚

Concerning ourselves and our vision  100% customer satisfaction, after-sale support, and maintaining contact with our regular clients are our goals.

Until you download it and save it in a secure location Since we sincerely care about you and try our best to accommodate your demands, your feedback is essential to our efforts to improve our services.

What we provide to our clients  Original factory service manuals, repair manuals, workshop manuals, parts manuals, technical manuals, operator’s manuals, owner manuals, electrical diagrams, hydraulic diagrams, and many other instructions for the heavy mechanic industry are available here.

𝙾𝚟𝚎𝚛 𝟑𝟻,𝟶𝟶𝟶 𝚌𝚞𝚜𝚝𝚘𝚖𝚎𝚛𝚜 𝚑𝚊𝚟𝚎 𝚏𝚊𝚒𝚝𝚑 𝚒𝚗 𝚘𝚞𝚛 𝚜𝚎𝚛𝚟𝚒𝚌𝚎. 𝚆𝚎 𝚟𝚊𝚕𝚞𝚎 𝚢𝚘𝚞𝚛 𝚋𝚞𝚜𝚒𝚗𝚎𝚜𝚜 𝚊𝚗𝚍 𝚊𝚛𝚎 𝚐𝚛𝚊𝚝𝚎𝚏𝚞𝚕 𝚝𝚑𝚊𝚝 𝚢𝚘𝚞 𝚑𝚊𝚟𝚎 𝚌𝚑𝚘𝚜𝚎𝚗  𝚠𝚠𝚠.𝚛𝚎𝚙𝚊𝚒𝚛-𝚖𝚊𝚗𝚞𝚊𝚕𝚜.𝚌𝚘𝚖

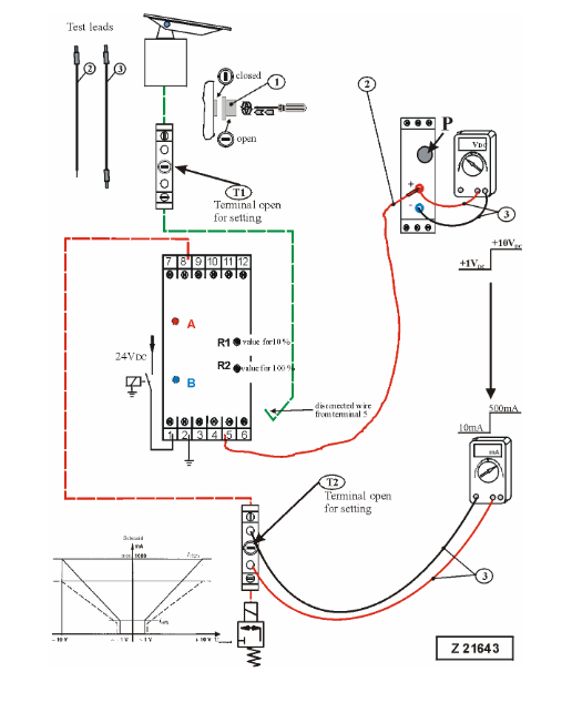
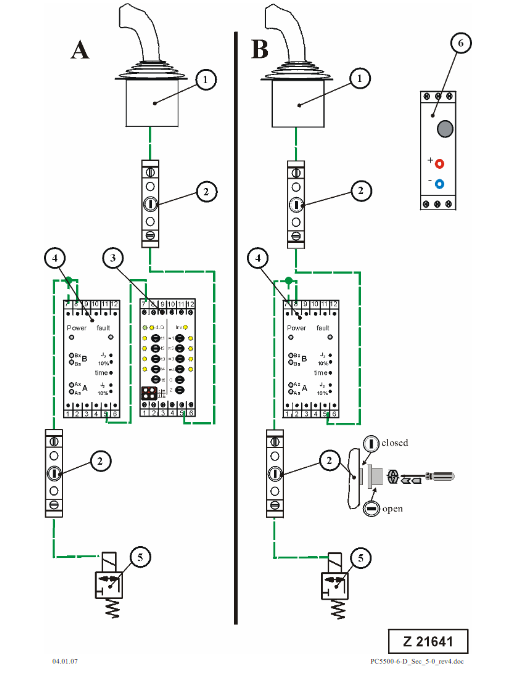
Komatsu PC5500-6 diesel mining shovel service repair manual, showcasing detailed diagrams and maintenance instructionsKomatsu PC5500-6 Diesel Mining Shovel Service Repair Manual
$10.00 52 people bought this product
Scroll to Top