Package Include
Komatsu WB140-2N, WB150-2N USA Backhoe Loader Workshop Manual
Language
English
Format
PDF
Total Number of pages
660
Publication Number
CEBM012701
Compatible
All windows and mac systems
Additional Requirement
User needs to Install PDF Reader Software
Shipping Policy
Download link by high speed web server Total Download size 74 mb
With This Original Factory Workshop Manual The Technician can Find and Solve any problems encountered in the operation of your Komatsu Backhoe Loader Models of :
WB140-2N USA [ S.N A20637 and UP ]
WB140-2N USA [ S.N A60029 and UP ]
[This is true Electronic pdf copy with contains high quality images and diagrams, not scanned version]
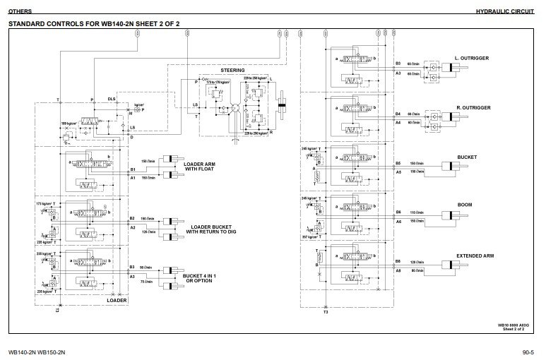
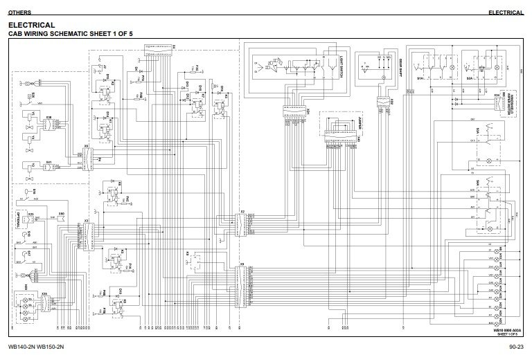
CONTENTS OF THIS WORKSHOP MANUAL
STRUCTURE AND FUNCTION
TESTING , ADJUSTING AND TROUBLESHOOTING
DISASSEMBLY AND ASSEMBLY
OTHER
Enhance your maintenance capabilities with the Komatsu WB140-2N and WB150-2N USA Backhoe Loader Workshop Manual. This comprehensive guide provides detailed instructions, diagrams, and troubleshooting tips specifically designed for these models, ensuring you can perform repairs and maintenance with confidence. With this manual, you’ll save time and money by tackling issues in-house, keeping your backhoe loader in optimal working condition for all your projects. Invest in this essential resource to maximize the performance and longevity of your equipment









