Package Include
Komatsu WB146PS-5 USA Backhoe Loader Workshop Manual
Language
English
Format
PDF
Total Number of pages
568
Publication Number
CEBM018501
Compatible
All windows and mac systems
Additional Requirement
User needs to Install PDF Reader Software
Shipping Policy
Download link by high speed web server Total Download size 81 mb
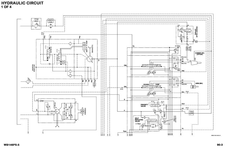
With This Original Factory Workshop Manual The Technician can Find and Solve any problems encountered in the operation of your Komatsu Backhoe Loader Models of :
WB146-5 USA [S.N A43001 and UP]
[This is true Electronic pdf copy with contains high quality images and diagrams, not scanned version]
CONTENTS OF THIS WORKSHOP MANUAL
GENERAL
STRUCTURE, FUNCTION AND MAINTENANCE STANDARD
TESTING, ADJUSTMENTS AND TROUBLESHOOTING
DISASSEMBLY AND ASSEMBLY
OTHERS
The Komatsu WB146PS-5 USA Backhoe Loader Workshop Manual is an essential resource for any technician or operator looking to maintain and repair this powerful machine. This comprehensive manual provides detailed instructions, diagrams, and specifications, ensuring you have all the information needed to keep your backhoe loader in optimal condition. With clear guidance on troubleshooting, servicing, and parts replacement, this workshop manual enhances your efficiency and extends the lifespan of your equipment, making it a must-have for professionals in the field








