Package Include
Kubota Zd221 Mower Service Repair Manual
Language
English
File Format
PDF
Publication Number
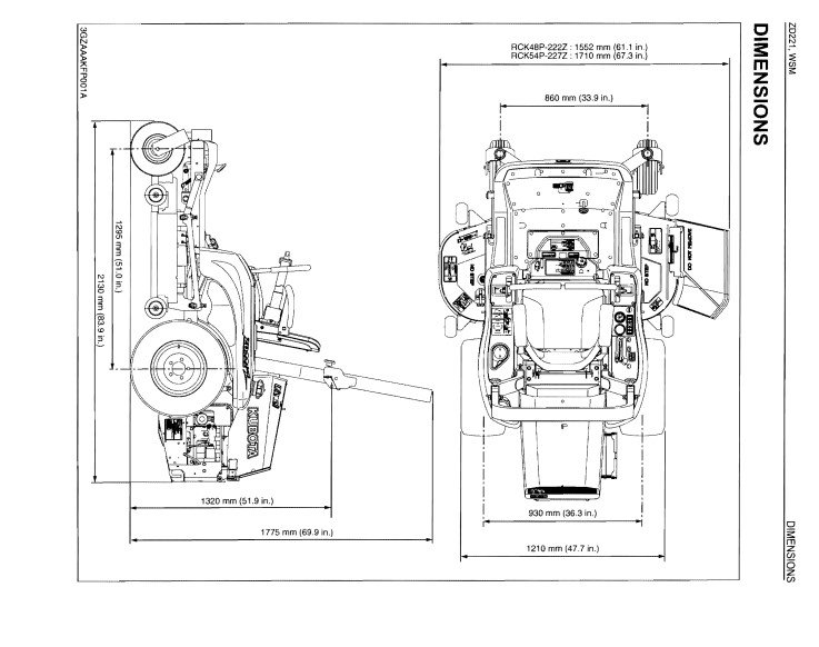
ZD221 WSM
Total Number of pages
263
Compatible
Windows system / Mac system / Android / IOS
Additional Requirement
User needs to Install PDF Reader Software
Shipping Policy
Download link by high speed web server Total Download size 12 mb
Overview
With This Original Factory Service Manual The Technician can Find and Solve any problems encountered in the operation of your Kubota Mower Models of :
Kubota Zd221 Mower
This Kubota Service Manual very clear and it is 100% printable version , contains with high quality images, Diagrams and instructions
The Factory was highly recommended use this manual for Technicians, before operate or repair your Kubota Mower
The Kubota ZD221 Mower Service Repair Manual is an essential resource for maintaining and repairing your mower with confidence. This comprehensive guide provides detailed instructions, diagrams, and troubleshooting tips to ensure optimal performance and longevity of your equipment. Whether you’re a seasoned professional or a DIY enthusiast, this manual empowers you to tackle repairs efficiently, saving you time and money while keeping your mower in peak condition. Invest in your mower’s maintenance today and experience the difference in performance and reliability






