| ✅Included Items | Electrical Diagrams for New Holland B95C TC Backhoe Loader |
| ✅File Format | PDF File Format – Instant Downloadable |
| ✅Language | English |
| ✅Total Number of pages | 4 |
| ✅Compatible | Windows system / Mac system / Android / IOS / Chrome OS / Any device capable of opening a PDF file |
| ✅Additional Requirement | User must have any software that can open the pdf format |
| ✅Shipping Policy | All of our products are digital and hence supplied immediately upon purchase. Once your purchase is complete, you will have immediate access to the product via a download link |
| ✅Download Size | Total download size 5 MB |
| ✅Compatible Machine Models | New Holland B95C TC Backhoe Loader |
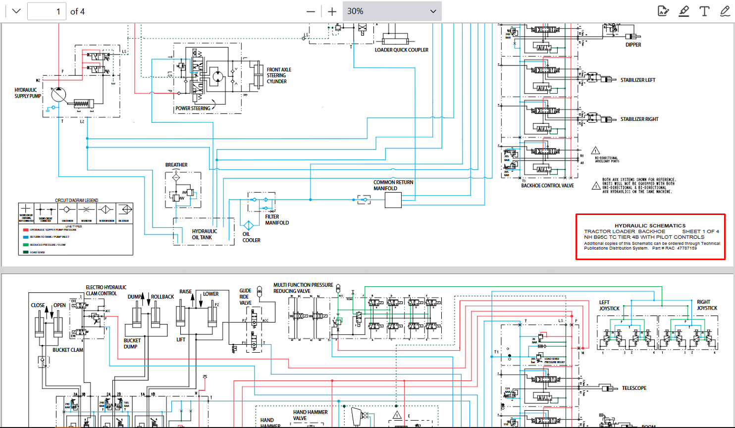
Diagnose and repair electrical issues with confidence using these official electrical diagrams for the New Holland B95C TC (Tool Carrier) Backhoe Loader. These high-quality schematics provide accurate, detailed views of the machine’s electrical systems, making them essential for both professional technicians and equipment owners.
Product Features:
-
🔌 Complete Electrical System Coverage – Includes wiring for ignition, starter, alternator, ECM, instrument cluster, lighting, safety switches, relays, fuses, and more
-
📊 OEM-Accurate Diagrams – Clear, professionally drawn schematics as used by authorized New Holland service centers
-
⚙️ Simplify Troubleshooting – Quickly locate wiring faults, trace circuits, and make precise repairs
-
💾 Instant PDF Download – Immediate access after purchase—no shipping delays
-
📱 Multi-Device Compatible – Viewable on computers, tablets, or smartphones; print-friendly for shop use
Perfect For:
-
• Heavy equipment technicians
-
• Field service and repair professionals
-
• Backhoe loader owners and operators
-
• Maintenance teams and workshops


