Package Include
NEW HOLLAND Boomer 24 Compact Tractor Service Repair Manual
Language
English
Format
PDF
Total Number of pages
749
Publication Number
47827505 (January 2016)
Compatible
All windows and mac systems
Additional Requirement
User needs to Install PDF Reader Software
Shipping Policy
Download link by high speed web server Total Download size 87 mb
With This Original Factory Service Repair Manual The Technician can Find and Solve any problems encountered in the operation of your New Holland Boomer Models of :
Boomer™ 24 Tier 4B (final) Compact Tractor
The Factory was highly recommended use this manual, Technicians before you touch New Holland Machines
This PDF Service Manual very clear and it is 100% printable version , Contains high quality images also include diagrams , This is True Electronic pdf copy, not scanned version
The New Holland Boomer 24 Compact Tractor Service Repair Manual is an essential resource for any owner or technician looking to maintain and repair this powerful machine. This comprehensive guide provides detailed instructions, diagrams, and troubleshooting tips to ensure optimal performance and longevity of your tractor. With clear, step-by-step procedures, you can confidently tackle repairs and routine maintenance, saving time and money while keeping your equipment in top condition. Invest in this manual to enhance your knowledge and ensure your New Holland Boomer 24 operates at its best
Contents of this pdf service manual
ENGINE
Engine and crankcase
Engine lubrication system
Engine cooling system
Transmission
Gearbox
Four-Wheel Drive (4WD) system
Electro-hydraulic control
Drive shaft
Front axle system
Powered front axle
Front bevel gear set and differential
Final drive hub, steering knuckles, and shafts
Final drives
Rear axle system
Rear bevel gear set and differential
Planetary and final drives
Hydraulic Drive
Transmission and steering hydrostatic control
Hydrostatic transmission
Reservoir, cooler, and lines
Pump and motor components
Power Take-Off (PTO)
Rear mechanical control
Rear electro-hydraulic control
One-speed rear Power Take-Off (PTO)
Central Power Take-Off (PTO)
Brakes and controls
Parking brake or parking lock
Mechanical service brakes
Hydraulic systems
Hydraulic systems
Fixed displacement pump
Three-point hitch control valve
Three-point hitch cylinder
Remote control valves
Reservoir, cooler, and filters
Safety and main relief valves
Hitches, drawbars, and implement couplings
Rear three-point hitch
Steering
Tie rods
Hydraulic control components
Cylinders
Wheels
Front wheels
Rear wheels
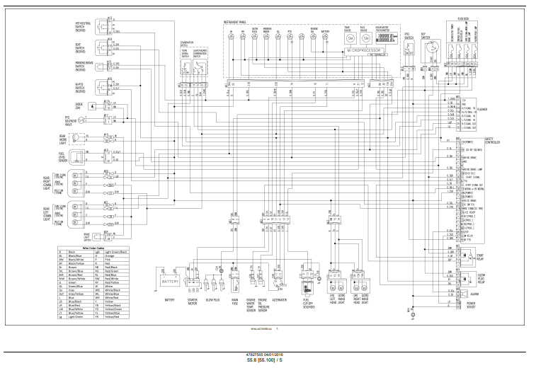
Electrical systems
Electrical system
Fuel injection system
Fuel tank system
Engine cooling system
Engine oil system
Parking brake electrical system
Rear Power Take-Off (PTO) control system
Harnesses and connectors
Engine starting system
Cold start aid
Battery
External lighting
External lighting switches and relays
Warning indicators, alarms, and instruments
Platform, cab, bodywork, and decals
Mechanically-adjusted operator seat
If you are looking for a specific manual and if you can not find it on our store, contact our customer support team, with details of the required manual, we will do our absolute best to acquire it for you.






