Package Include
NEW HOLLAND D150C Crawler Dozer Stage IIIB Service Repair Manual
Language
English
Format
PDF
Total Number of pages
2188
Publication Number
Part number 47907876 2nd edition (October 2015) Replaces part number 47619945
Compatible
All windows and mac systems
Additional Requirement
User needs to Install PDF Reader Software
Shipping Policy
Download link by high speed web server Total Download size 147 mb
With This Original Factory Service Repair Manual The Technician can Find and Solve any problems encountered in the operation of your New Holland Crawler Dozer Models of :
D150C Stage IIIB Crawler Dozer
PIN NDDC15000 and above
PIN NEDC15000 and above
PIN NFDC15000 and above
The Factory was highly recommended use this manual, Technicians before you touch New Holland Machines
This PDF Service Manual very clear and it is 100% printable version , Contains high quality images also include diagrams , This is True Electronic pdf copy, not scanned version
The New Holland D150C Dozer Service Repair Manual is an essential resource for maintaining and repairing your dozer with confidence. This comprehensive guide provides detailed instructions, diagrams, and troubleshooting tips to ensure optimal performance and longevity of your equipment. With clear, step-by-step procedures, you can easily tackle repairs and maintenance tasks, saving time and reducing downtime. Equip yourself with the knowledge to keep your New Holland D150C running smoothly and efficiently
Contents of this pdf service manual
Engine
Engine and crankcase
Air cleaners and lines
Fuel filters
Fuel tanks
Engine lubrication system
Aftercooler
Engine cooling system
Fan and drive
Selective Catalytic Reduction (SCR) exhaust treatment
Hydrostatic drive
Pump and motor components
Brakes and controls
Parking brake or parking lock
Hydraulic service brakes
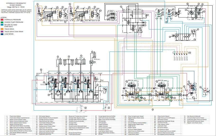
Hydraulic systems
Hydraulic systems
Reservoir, cooler, and filters
Fixed displacement pump
Charge pump
Main control valve
Dozer blade cylinders
Tracks and track suspension
Track frame and driving wheels
Tracks
Track tension units
Track rollers
Dropbox and final drive
Cab climate control
Heating
Ventilation
Air conditioning
Electrical systems
Fuel tank system
Engine intake and exhaust system
Engine control system
Service brake electrical system
Heating, Ventilation, and Air-Conditioning (HVAC) control system
Harnesses and connectors
Engine starting system
Cold start aid
Alternator
Battery
Warning indicators, alarms, and instruments
Cab controls
Wiper and washer system
Selective Catalytic Reduction (SCR) electrical system
FAULT CODES
Dozer blade and arm
Ripper assembly
Platform, cab, bodywork, and decals
Cab
Cab interior trim and panels
Pneumatically-adjusted operator seat
Engine hood and panels
If you are looking for a specific manual and if you can not find it on our store, contact our customer support team, with details of the required manual, we will do our absolute best to acquire it for you.






