| ✅Included Items | Hydraulic Diagrams for New Holland D180C Dozer |
| ✅File Format | PDF File Format – Instant Downloadable |
| ✅Language | English |
| ✅Total Number of pages | 4 |
| ✅Compatible | Windows system / Mac system / Android / IOS / Chrome OS / Any device capable of opening a PDF file |
| ✅Additional Requirement | User must have any software that can open the pdf format |
| ✅Shipping Policy | All of our products are digital and hence supplied immediately upon purchase. Once your purchase is complete, you will have immediate access to the product via a download link |
| ✅Download Size | Total download size 5 MB |
| ✅Compatible Machine Models | New Holland D180C Dozer |
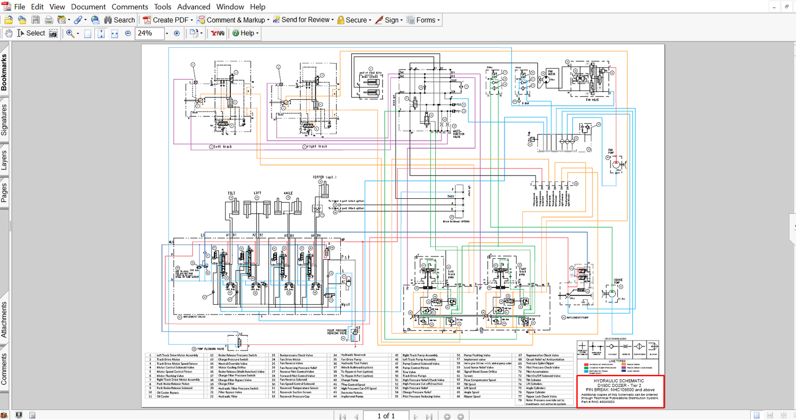
Ensure precise diagnostics, maintenance, and repair with the official Hydraulic Diagrams for the New Holland D180C Crawler Dozer. These comprehensive schematics are designed to give technicians and operators a complete view of the machine’s hydraulic system — straight from the manufacturer.
Contents Include:
-
Full hydraulic circuit schematics
-
Hose routing and connection points
-
Hydraulic pump and valve layouts
-
Pressure and flow line identification
-
Cylinder and actuator configurations
-
Filtration and reservoir system diagrams
-
Control valve and joystick circuit details
Key Features:
-
OEM diagrams for the D180C Tier 2 Final model
-
Clear, labeled linework and component callouts
-
PDF format – printable and easy to view on any device
-
High-quality resolution for zooming and detail inspection
-
Designed for professional workshop or field use
Applications:
-
Hydraulic troubleshooting and diagnostics
-
Component replacement and hose routing
-
Preventive maintenance and fluid system inspections
-
Operator training and technical education
Compatibility:
-
Suited for New Holland D180C Dozers (Tier 2 Final)
-
Usable on computers, tablets, or smartphones — anywhere you need it
Keep your dozer running smoothly with the most accurate and detailed hydraulic diagrams available. These OEM resources are a must-have for service professionals and heavy equipment technicians working on the New Holland D180C.


