Package Include
New Holland DC150 Crawler Dozer Service Repair Manual
Language
English
Format
PDF
Total Number of pages
312
Compatible
All windows and mac systems
Additional Requirement
User needs to Install PDF Reader Software
Shipping Policy
Download link by high speed web server Total Download size 9 mb
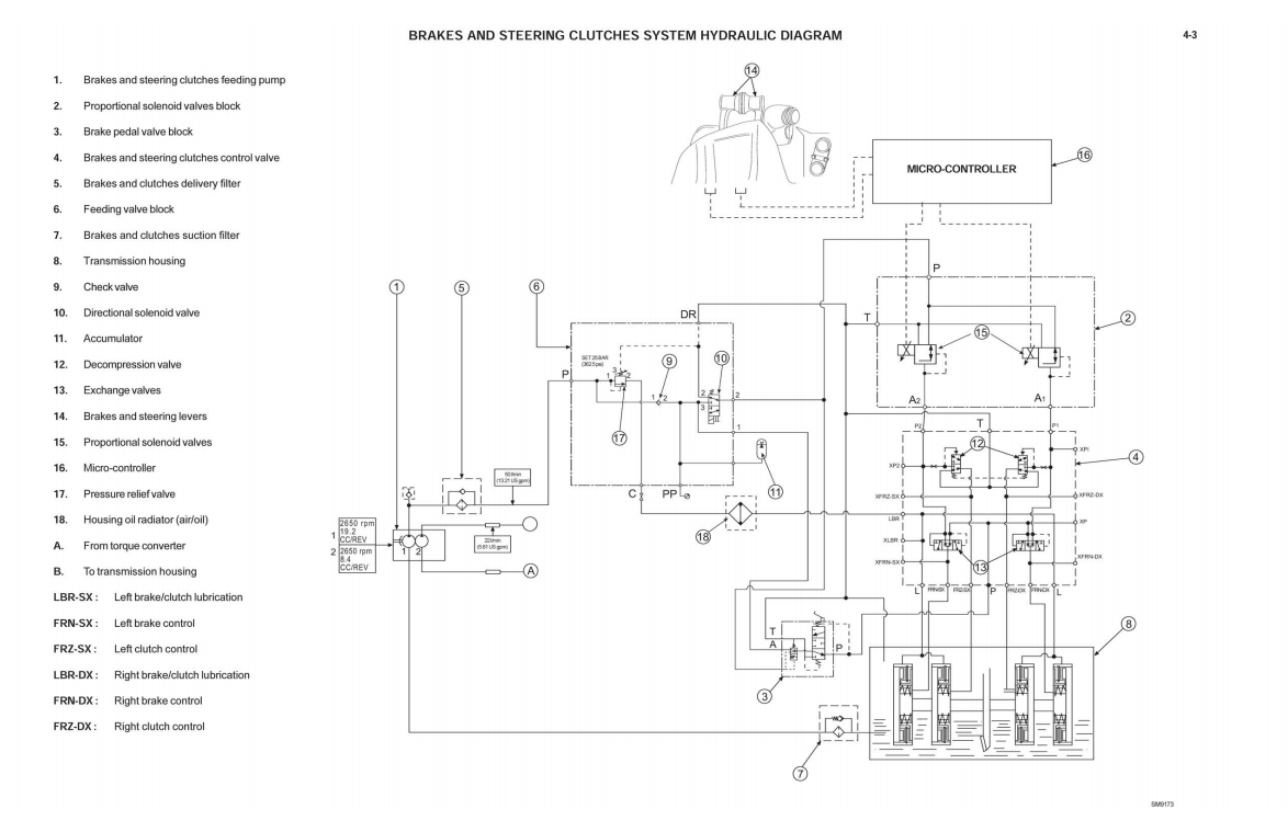
The New Holland DC 150 Crawler Dozer Service Repair Manual is an essential resource for maintaining and repairing your dozer with confidence. This comprehensive guide provides detailed instructions, diagrams, and troubleshooting tips to ensure optimal performance and longevity of your equipment. With clear, step-by-step procedures, you can easily tackle repairs and maintenance tasks, saving time and reducing downtime. Invest in this manual to enhance your operational efficiency and keep your New Holland DC 150 running smoothly for years to come
𝙾𝚟𝚎𝚛 𝟑𝟻,𝟶𝟶𝟶 𝚌𝚞𝚜𝚝𝚘𝚖𝚎𝚛𝚜 𝚑𝚊𝚟𝚎 𝚏𝚊𝚒𝚝𝚑 𝚒𝚗 𝚘𝚞𝚛 𝚜𝚎𝚛𝚟𝚒𝚌𝚎. 𝚆𝚎 𝚟𝚊𝚕𝚞𝚎 𝚢𝚘𝚞𝚛 𝚋𝚞𝚜𝚒𝚗𝚎𝚜𝚜 𝚊𝚗𝚍 𝚊𝚛𝚎 𝚐𝚛𝚊𝚝𝚎𝚏𝚞𝚕 𝚝𝚑𝚊𝚝 𝚢𝚘𝚞 𝚑𝚊𝚟𝚎 𝚌𝚑𝚘𝚜𝚎𝚗 𝚠𝚠𝚠.𝚛𝚎𝚙𝚊𝚒𝚛-𝚖𝚊𝚗𝚞𝚊𝚕𝚜.𝚌𝚘𝚖