Package Include
New Holland L223, L225, L230 Tier 4A 200 Series Skid Steer Loader / C232, C238 Tier 4A 200 Series Compact Track Loader Service Manual
Language
English
Format
PDF
Total Number of pages
223
Publication Number
47720769 April 2014
Replaces part number 47571185
Compatible
All windows and mac systems
Additional Requirement
User needs to Install PDF Reader Software
Shipping Policy
Download link by high speed web server Total Download size 14 MB
Compatible Machine Models and Serial Number Range
New Holland L223 PIN NDM474381 and above
New Holland L225 PIN NDM461085 and above
New Holland L230 PIN NCM449907 and above
New Holland C232 PIN NDM451672 and above
New Holland C238 PIN NCM425510 and above
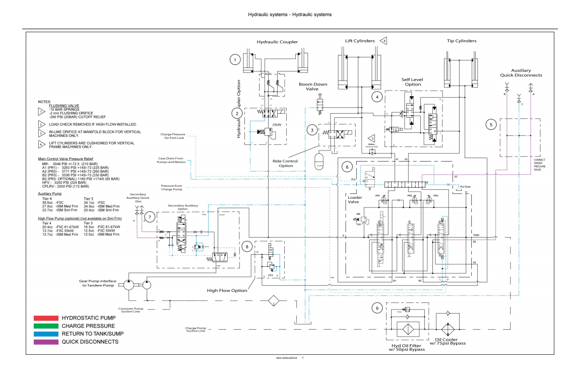
Enhance the performance and longevity of your New Holland L223, L225, L230 Tier 4A 200 Series Skid Steer Loader and C232, C238 Tier 4A 200 Series Compact Track Loader with our comprehensive Service Manual. This essential guide provides detailed maintenance procedures, troubleshooting tips, and specifications to ensure your equipment operates at peak efficiency. With clear illustrations and step-by-step instructions, you can confidently tackle repairs and upkeep, minimizing downtime and maximizing productivity on the job site. Invest in your machinery’s reliability and keep it running smoothly with this indispensable resource






