Package include
New Holland LW 110B, LW 130B Complete Hydraulic and Electrical Schematic
Language
English
Format
PDF
Publication Number
6-72431
Total Number of pages
8
Compatible
All windows and mac systems
Additional Requirement
User needs to Install PDF Reader Software
Shipping Policy
Download link by high speed web server Total Download size 4 MB
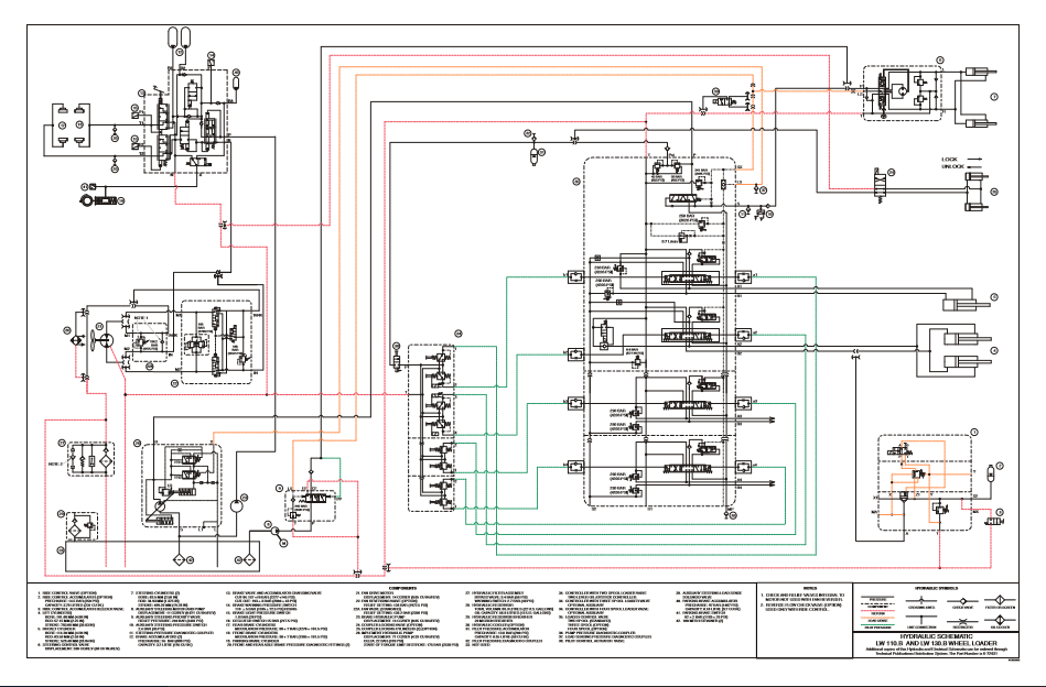
Compatible Machine Models :
New Holland LW 110B Wheel Loader
New Holland LW 130B Wheel Loader
The full potential of your New Holland LW110B and LW130B with our Complete Hydraulic and Electrical Schematic. This comprehensive guide is meticulously designed to provide you with detailed diagrams and schematics that simplify the understanding of your machine’s hydraulic and electrical systems. Whether you are a seasoned technician or a DIY enthusiast, this schematic will enhance your ability to troubleshoot, maintain, and repair your equipment efficiently. With clear illustrations and precise annotations, you can easily identify components, understand their functions, and ensure optimal performance of your machinery. Invest in this essential resource to minimize downtime and maximize productivity, ensuring your New Holland equipment operates at its best for years to come


