Package Include
Kobelco SK115SRDZ-1E, SK135SRLC-1E, SK135SRLC-1E, SK135SRL-1E Workshop Repair Manual
Language
English
Format
PDF
Total Number of pages
963
Publication Number
S5YY0009E-01 NA (Issued 12-2003)
Compatible
All windows and mac systems
Additional Requirement
User needs to Install PDF Reader Software
Shipping Policy
Download link by high speed web server Total Download size 90 mb
With This Original Factory Service Repair Manual The Technician can Find and Solve any problems encountered in the operation of your Kobelco Excavator Models of :
APPLICABLE:
SK115SRDZ-1E, SK135 SR L LC 1 E, SK135SRLC-1E, SK135SRL-1E
Kobelco SK115SRDZ-1E [S.N]YY04-06001~]
Kobelco SK135SR-1E [S.N YY04-06001~]
Kobelco SK135SRLC-1E [S.N YH04-03001~]
Kobelco SK135SRL-1E [S.N LK04-01201~]
The Factory was highly recommended use this manual, Technicians before you touch Kobelco Machines
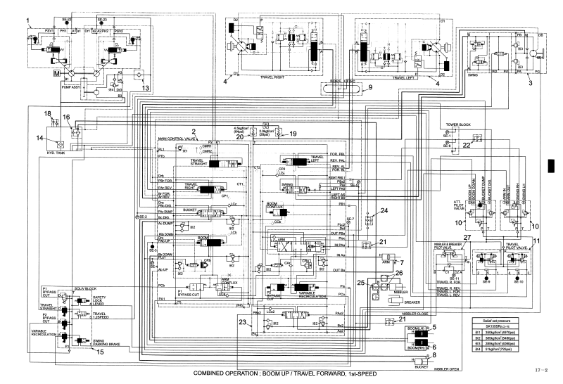
This PDF Service Manual very clear and it is 100% printable version , Contains high quality images also include diagrams
Enhance your maintenance capabilities with the Kobelco SK115SRDZ-1E, SK135SRLC-1E, and SK135SRL-1E Workshop Repair Manual. This comprehensive guide is designed for professionals and enthusiasts alike, providing detailed instructions, diagrams, and troubleshooting tips to ensure optimal performance of your Kobelco excavators. With this manual, you can confidently tackle repairs and maintenance tasks, saving time and reducing costs while extending the lifespan of your machinery. Invest in your equipment’s reliability and efficiency today
If you are looking for a specific manual and if you can not find it on our store, contact our customer support team, with details of the required manual, we will do our absolute best to acquire it for you.







