Package Include
Hitachi EX60 Excavator Service Repair Manual
Language
English
Format
PDF
Total Number of pages
716
Compatible
All windows and mac systems
Additional Requirement
User needs to Install PDF Reader Software
Shipping Policy
Download link by high speed web server Total Download size 48 mb
With This Original factory Service Repair Manual The Technician can solve any problems encountered in the operation of your Hitachi Excavator Models of :
Hitachi EX60 Excavator
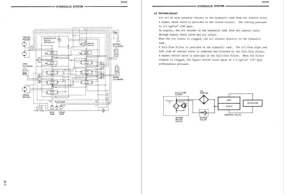
This Repair Service Manual offers all the service and repair information
The Hitachi EX60 Excavator Service Repair Manual is an essential resource for maintaining and repairing your excavator with precision and confidence. This comprehensive guide provides detailed instructions, diagrams, and troubleshooting tips, ensuring that you can efficiently address any issues that arise. With its user-friendly format, this manual empowers operators and technicians alike to enhance the performance and longevity of the Hitachi EX60, making it a valuable addition to your equipment maintenance toolkit






Reviews
There are no reviews yet.