Package Include
Hitachi ZX470LC-5G Workshop Manual and Diagrams
Language
English
Format
PDF
Total Number of pages
890
Publication Number
WJAC91-EN-00 [2013.04]
TTJAC91
Compatible
All windows and mac systems
Additional Requirement
User needs to Install PDF Reader Software
Shipping Policy
Download link by high speed web server Total Download size 39 mb
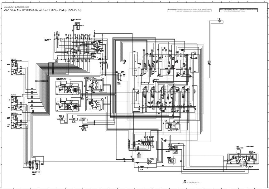
The Hitachi ZX470LC-5G Workshop Manual and Diagrams is an essential resource for professionals and enthusiasts alike, providing comprehensive guidance on maintenance and repair. This manual features detailed diagrams and step-by-step instructions, ensuring that you can efficiently troubleshoot and service your machinery. With its user-friendly layout and clear illustrations, you can enhance your understanding of the ZX470LC-5G, ultimately improving performance and longevity. Invest in this manual to ensure your equipment operates at its best, saving you time and reducing costly downtime







Steve Hillman (verified owner) –
The manual is comprehensive, clearly organized, and provides more detailed
Christian Grabinger (verified owner) –
Thanks for the very good price
Blessmore Masey (verified owner) –
this manual is an essential tool that significantly aids
Robin Sadler (verified owner) –
I like this given diagrams are very clear and printable